您好,欢迎来到浙江豫立电气科技有限公司官方网站
客服电话:
0577-62760866 18057790772(微信同号)
首页
关于我们
企业简介
资质荣誉
资讯动态
公司新闻
行业资讯
产品中心
高压开关设备
低压开关设备
箱式变电站
电缆分支箱
高压计量箱
高压真空断路器
高压附件
服务与支持
服务体系
营销网络
人力资源
人才理念
职位招聘
联系我们
联系方式
首页
关于我们
企业简介
资质荣誉
资讯动态
公司新闻
行业资讯
产品中心
高压开关设备
低压开关设备
箱式变电站
电缆分支箱
高压计量箱
高压真空断路器
高压附件
服务与支持
服务体系
营销网络
人力资源
人才理念
职位招聘
联系我们
联系方式
高压开关设备
低压开关设备
箱式变电站
电缆分支箱
高压计量箱
高压真空断路器
高压附件
首页
产品中心
高压真空断路器
产品分类
PRODUCT CATEGORIES
高压开关设备
低压开关设备
箱式变电站
电缆分支箱
高压计量箱
高压真空断路器
高压附件
全国咨询热线
0577-62760866
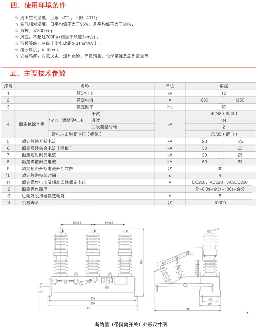
ZW32-12(G)/T型户外高压真空断路器
所属分类:
高压真空断路器
咨询电话:
0577-62760866
公司地址:
浙江省温州市乐清市柳市镇上池工业区
销售热线:0577-62760866
产品详情
上一个产品:
ZW10-12(G)/T型户外高压真空断路器
下一个产品:
没有了
返回产品列表